BeetleBug
							
								Global moderator 
								Supermedlem
								      
								Innlegg: 5355
								  Bosted: Fornebo 
								
								Hvilken makalös manick
								
								
								
								
								
								  
							 
						 | 
						
							
								  | 
								
									
									 « Svar #480 på: april 05, 2011, 10:15:00 am »  | 
								
								 | 
							  
							 
							@ BB: Hvordan så sylinderveggene ut mtp. teflonbuttons?
  Hva slags olje gikk denne motoren på? Bare nyskjerrig, that's all.
  Sylindevegger var bra.  Olje i mitt eie:  1 året: Pennzoil 20-50 mineral  2 året: Kendall 20-50 mineral 3 året og deretter: Kendall SAE 50 mineral  Mvh Kalle  
						 | 
					 
					
						
							
								| 
								 | 
							 
								| 
								 | 
								
									 
									Loggført
								 | 
							  
							 
							10.41 / 1641 / 2015 - 2016.
  - Det er lettere å ape enn å skape - 
						 | 
					 
				 
			 |  
		 
	 | 
	
		
		
			
				
					
						
							Trond Dahl
							
								Administrator 
								Supermedlem
								      
								Innlegg: 4529
								  Bosted: Sandnes 
								
								:: DKL ::
								
								
								
								
								
								  
							 
						 | 
						
							
								  | 
								
									
									 « Svar #481 på: april 05, 2011, 10:52:39 am »  | 
								
								 | 
							  
							 
							Jeg kjørte også kun Kendall olje på den. 
						 | 
					 
					
						
							
								| 
								 | 
							 
								| 
								 | 
								
									 
									Loggført
								 | 
							  
							 
							Street car 10.67/206kmt@Kjula 2014 Race car 9.49/236kmt@SCC 2017  "It seems that perfection is reached not when there is nothing left to add, but when there is nothing left to take away"  
						 | 
					 
				 
			 |  
		 
	 | 
	
		
		
			
				
					
						
							Dalland
							
								Supermedlem 
								     
								Innlegg: 3032
								  Bosted: Bergen 
								
								
								
								
								
								 
							 
						 | 
						
							
								  | 
								
									
									 « Svar #482 på: april 05, 2011, 11:03:38 am »  | 
								
								 | 
							  
							 
							@ BB: Hvordan så sylinderveggene ut mtp. teflonbuttons?
  Hva slags olje gikk denne motoren på? Bare nyskjerrig, that's all.
  Sylindevegger var bra.  Olje i mitt eie:  1 året: Pennzoil 20-50 mineral  2 året: Kendall 20-50 mineral 3 året og deretter: Kendall SAE 50 mineral  Mvh Kalle Hvorfor så tykk olje? og hvorfor mineral?  
						 | 
					 
					
						
							
								| 
								 | 
							 
								| 
								 | 
								
									 
									Loggført
								 | 
							  
							 
							
						 | 
					 
				 
			 |  
		 
	 | 
	
		
		
			
				
					
						
							BeetleBug
							
								Global moderator 
								Supermedlem
								      
								Innlegg: 5355
								  Bosted: Fornebo 
								
								Hvilken makalös manick
								
								
								
								
								
								  
							 
						 | 
						
							
								  | 
								
									
									 « Svar #483 på: april 05, 2011, 11:10:21 am »  | 
								
								 | 
							  
							 
							Mineral fordi jeg ikke visste bedre i 2004.   Tykkelsen fordi motoren så som ny ut når jeg åpnet den og da så jeg ingen grunn til å endre. Mvh BB Hvorfor så tykk olje? og hvorfor mineral?
   
						 | 
					 
					
						
							
								| 
								 | 
							 
								| 
								 | 
								
									 
									Loggført
								 | 
							  
							 
							10.41 / 1641 / 2015 - 2016.
  - Det er lettere å ape enn å skape - 
						 | 
					 
				 
			 |  
		 
	 | 
	
		
		
			
				
					
						
							BeetleBug
							
								Global moderator 
								Supermedlem
								      
								Innlegg: 5355
								  Bosted: Fornebo 
								
								Hvilken makalös manick
								
								
								
								
								
								  
							 
						 | 
						
							
								  | 
								
									
									 « Svar #484 på: april 05, 2011, 11:21:39 am »  | 
								
								 | 
							  
							 
							Nåværende eier har postet noen bilder fra når han åpnet motoren her:  http://gallery.me.com/soafoto#100268BB  
						 | 
					 
					
						
							
								| 
								 | 
							 
								| 
								 | 
								
									 
									Loggført
								 | 
							  
							 
							10.41 / 1641 / 2015 - 2016.
  - Det er lettere å ape enn å skape - 
						 | 
					 
				 
			 |  
		 
	 | 
	
		
		
			
				
					
						| 
							tmbryhn
							
						 | 
						
							
								  | 
								
									
									 « Svar #485 på: april 11, 2011, 10:52:53 am »  | 
								
								 | 
							  
							 
							Jeg har kjørt inn på 10-40 mineral nå, og er inne i andre skiftet med denne olja. Blir en kort runde med 10-40 etter det igjen tipper jeg, og så blir det vel å skru opp intervallen litt og fylle på 5-40 eller 5-30 synth. Her er en liten filmsnutt av motoren:  
						 | 
					 
					
						
							
								| 
								 | 
							 
								| 
								 | 
								
									 
									Loggført
								 | 
							  
							 
							Til ettertanke: "... The more we know, the more we feel our ignorance; the more we feel how much remains unknown." - Humphrey Davy
   - VW 1303S 73-mod. Aurora-"Peewsen"  - VW 1300S 73-mod. Leonora-"Peewsen" (Bruks-Peews) 
						 | 
					 
				 
			 |  
		 
	 | 
	
		
		
			
				
					
						
							Dalland
							
								Supermedlem 
								     
								Innlegg: 3032
								  Bosted: Bergen 
								
								
								
								
								
								 
							 
						 | 
						
							
								  | 
								
									
									 « Svar #486 på: april 11, 2011, 15:06:45 pm »  | 
								
								 | 
							  
							 
							Virket sprek den motoren, og min tanke er at 5-30 blir riktig olje for våres klima, men så er det vel ikke alle med stor motor her inne som bruker bilen året rundt.
  Men ser en ting du kanskje skulle testet ut, ser du ikke har vakum tilkobla fordelere.  Har du prøvd å koble den på?  Merket selv forskjell når jeg koblet den på, kjører med 40 idf.. 
						 | 
					 
					
						
							
								| 
								 | 
							 
								| 
								 | 
								
									 
									Loggført
								 | 
							  
							 
							
						 | 
					 
				 
			 |  
		 
	 | 
	
		
		
			
				
					
						
							Cheron
							
								Telehiv Jumpers 
								Supermedlem
								      
								Innlegg: 4993
								  Bosted: Hijol - Andebu 
								
								Luftkjølt? Ja takk!
								
								
								
								
								
								  
							 
						 | 
						
							
								  | 
								
									
									 « Svar #487 på: april 11, 2011, 15:32:02 pm »  | 
								
								 | 
							  
							 
							Du mistet motorluke emblemet ditt på veien her. 
						 | 
					 
					
						
							
								| 
								 | 
							 
								| 
								 | 
								
									 
									Loggført
								 | 
							  
							 
							You'll never walk alone                    Proud member of Senkemafia'n  
						 | 
					 
				 
			 |  
		 
	 | 
	
		
		
			
				
					
						
							Rikard
							
								Telehiv Jumpers 
								Supermedlem
								      
								Innlegg: 3891
								  Bosted: Røyken, Buskerud 
								
								Singelport Mafia'n
								
								
								
								
								
								  
								 
							 
						 | 
						
							
								  | 
								
									
									 « Svar #488 på: april 11, 2011, 15:34:51 pm »  | 
								
								 | 
							  
							 
							Seriøst? HAHA!  
						 | 
					 
					
						
							
								| 
								 | 
							 
								| 
								 | 
								
									 
									Loggført
								 | 
							  
							 
							" A volkswagen is never changed to make it look different, Only to make it work better" Audi 100 2,5TDI VW 1300 1970 Mekaniker Albjerk Bil Lier Volkswagen 45632450 ------------------------------- Medlemsansvarlig Røyken og Omegn Aircoolers Rikard@roykenaircoolers.comroykenaircoolers.com   
						 | 
					 
				 
			 |  
		 
	 | 
	
		
		
			
				
					
						
							Cheron
							
								Telehiv Jumpers 
								Supermedlem
								      
								Innlegg: 4993
								  Bosted: Hijol - Andebu 
								
								Luftkjølt? Ja takk!
								
								
								
								
								
								  
							 
						 | 
						
							
								  | 
								
									
									 « Svar #489 på: april 11, 2011, 15:40:21 pm »  | 
								
								 | 
							  
							 
							Seriøst? HAHA! 
  Lå på dørmatta her på verksted i stad    
						 | 
					 
					
						
							
								| 
								 | 
							 
								| 
								 | 
								
									 
									Loggført
								 | 
							  
							 
							You'll never walk alone                    Proud member of Senkemafia'n  
						 | 
					 
				 
			 |  
		 
	 | 
	
		
		
			
				
					
						
							Rikard
							
								Telehiv Jumpers 
								Supermedlem
								      
								Innlegg: 3891
								  Bosted: Røyken, Buskerud 
								
								Singelport Mafia'n
								
								
								
								
								
								  
								 
							 
						 | 
						
							
								  | 
								
									
									 « Svar #490 på: april 11, 2011, 15:44:01 pm »  | 
								
								 | 
							  
							 
							jaggu    
						 | 
					 
					
						
							
								| 
								 | 
							 
								| 
								 | 
								
									 
									Loggført
								 | 
							  
							 
							" A volkswagen is never changed to make it look different, Only to make it work better" Audi 100 2,5TDI VW 1300 1970 Mekaniker Albjerk Bil Lier Volkswagen 45632450 ------------------------------- Medlemsansvarlig Røyken og Omegn Aircoolers Rikard@roykenaircoolers.comroykenaircoolers.com   
						 | 
					 
				 
			 |  
		 
	 | 
	
		
		
			
				
					
						
							Erlend / bug66
							
								SCC Event 
								Global moderator 
								Supermedlem
								      
								Innlegg: 5824
								  Bosted: Oslo, Briskeby 
								
								ass UP nose DOWN, rip the tires
								
								
								
								
								
								  
								 
							 
						 | 
						
							
								  | 
								
									
									 « Svar #491 på: april 11, 2011, 16:24:35 pm »  | 
								
								 | 
							  
							 
							brum brum    
						 | 
					 
					
						
							
								| 
								 | 
							 
								| 
								 | 
								
									 
									Loggført
								 | 
							  
							 
							'67: 10.626@213,65 SCC2016 10.407@215,57 SCC2017 10.221@216,87 SCC2018 Norges raskeste luftkjølte gatebil? '59: Snart   
						 | 
					 
				 
			 |  
		 
	 | 
	
		
		
			
				
					
						| 
							tmbryhn
							
						 | 
						
							
								  | 
								
									
									 « Svar #492 på: april 11, 2011, 16:31:44 pm »  | 
								
								 | 
							  
							 
							Du mistet motorluke emblemet ditt på veien her.
  Flott at du fant det igjen! Jeg la merke til det når jeg kom hjem den kvelden. Kan du spare på det til jeg tar turen oppom neste gang tror du?  
						 | 
					 
					
						
							
								| 
								 | 
							 
								| 
								 | 
								
									 
									Loggført
								 | 
							  
							 
							Til ettertanke: "... The more we know, the more we feel our ignorance; the more we feel how much remains unknown." - Humphrey Davy
   - VW 1303S 73-mod. Aurora-"Peewsen"  - VW 1300S 73-mod. Leonora-"Peewsen" (Bruks-Peews) 
						 | 
					 
				 
			 |  
		 
	 | 
	
		
		
			
				
					
						
							Rikard
							
								Telehiv Jumpers 
								Supermedlem
								      
								Innlegg: 3891
								  Bosted: Røyken, Buskerud 
								
								Singelport Mafia'n
								
								
								
								
								
								  
								 
							 
						 | 
						
							
								  | 
								
									
									 « Svar #493 på: april 11, 2011, 16:34:48 pm »  | 
								
								 | 
							  
							 
							hvis ikke bør det vell ikke være allverdens å få tak i ett annet    Har ett selv tror jeg    
						 | 
					 
					
						
							
								| 
								 | 
							 
								| 
								 | 
								
									 
									Loggført
								 | 
							  
							 
							" A volkswagen is never changed to make it look different, Only to make it work better" Audi 100 2,5TDI VW 1300 1970 Mekaniker Albjerk Bil Lier Volkswagen 45632450 ------------------------------- Medlemsansvarlig Røyken og Omegn Aircoolers Rikard@roykenaircoolers.comroykenaircoolers.com   
						 | 
					 
				 
			 |  
		 
	 | 
	
		
		
			
				
					
						| 
							tmbryhn
							
						 | 
						
							
								  | 
								
									
									 « Svar #494 på: april 11, 2011, 16:36:29 pm »  | 
								
								 | 
							  
							 
							Virket sprek den motoren, og min tanke er at 5-30 blir riktig olje for våres klima, men så er det vel ikke alle med stor motor her inne som bruker bilen året rundt.
  Men ser en ting du kanskje skulle testet ut, ser du ikke har vakum tilkobla fordelere.  Har du prøvd å koble den på?  Merket selv forskjell når jeg koblet den på, kjører med 40 idf..
  Ja, med tanke på at motoren er temmelig spot on i samtlige lagerklarigner, tror jeg at en tynn olje ikke er noe problem på denne motoren. Husk at jeg styrer tenningen med MS. Fordeleren du ser der er kun for å distrubere gnist, ikkeno mer, og snart går den på båten også når COP skal inn. (Legg merke til veivposisjonssensor og 36-1-triggerhjulet). Alle fire innsugsløp er koblet sammen i bunnen av innsugene (1/8NPT-nippler skrudd inn i innsuget) og kjøres igjennom en 0,8mm-sveisedyse for at MAP-signalet ikke skal bli så pulsérende. Fungerer knall! For ca. 1,5 år siden kjørte jeg også old school SVDA, men fikk ikke jevnt nok sug med den éne vakumporten til at den trakk opp noe tenning. Moddet den andre gasseren slik at jeg hadde to vakumporter, og det hjalp litt.  
						 | 
					 
					
						
							
								| 
								 | 
							 
								| 
								 | 
								
									 
									Loggført
								 | 
							  
							 
							Til ettertanke: "... The more we know, the more we feel our ignorance; the more we feel how much remains unknown." - Humphrey Davy
   - VW 1303S 73-mod. Aurora-"Peewsen"  - VW 1300S 73-mod. Leonora-"Peewsen" (Bruks-Peews) 
						 | 
					 
				 
			 |  
		 
	 | 
	
		
		
			
				
					
						
							Dalland
							
								Supermedlem 
								     
								Innlegg: 3032
								  Bosted: Bergen 
								
								
								
								
								
								 
							 
						 | 
						
							
								  | 
								
									
									 « Svar #495 på: april 11, 2011, 17:34:54 pm »  | 
								
								 | 
							  
							 
							Hehe, hadde helt glemt at du dreiv med sånn fancy pancy tenning. Skal du få smelt an på dyno i vår? Har kjørt med nyoverhalt svda og 205 ab, begge med vakum på begge gasserne. Det har i alle fall  fungert bra for meg, men liker best 205 fordeleren den har en bedre mekanisk fortennings kurve. Stå på, du er flink!    
						 | 
					 
					
						
							
								| 
								 | 
							 
								| 
								 | 
								
									 
									Loggført
								 | 
							  
							 
							
						 | 
					 
				 
			 |  
		 
	 | 
	
		
		
			
				
					
						| 
							tmbryhn
							
						 | 
						
							
								  | 
								
									
									 « Svar #496 på: april 11, 2011, 18:16:19 pm »  | 
								
								 | 
							  
							 
							Tenker jeg vil prøve meg på dyno-test når innsprutet er oppe og går, og jeg har fått tunet litt på forhånd i bil. Da kan jeg ta siste finpussen med tuning på rulla. Har i alle fall lyst til å prøve å bremse motoren før jeg skifter ut toppene    
						 | 
					 
					
						
							
								| 
								 | 
							 
								| 
								 | 
								
									 
									Loggført
								 | 
							  
							 
							Til ettertanke: "... The more we know, the more we feel our ignorance; the more we feel how much remains unknown." - Humphrey Davy
   - VW 1303S 73-mod. Aurora-"Peewsen"  - VW 1300S 73-mod. Leonora-"Peewsen" (Bruks-Peews) 
						 | 
					 
				 
			 |  
		 
	 | 
	
		
		
			
				
					
						| 
							tmbryhn
							
						 | 
						
							
								  | 
								
									
									 « Svar #497 på: april 23, 2011, 19:28:31 pm »  | 
								
								 | 
							  
							 
							Rask update: Motoren har nå gått rundt 1500 km, og har hatt et par oljeskift. Alt oppfører seg upåklagelig, og motoren er foreløpig tørr langs hele splitten og ved støtstangrørene - Noe jeg setter veldig pris på!   Motoren føles ganske sterk fra 1500 rpm og oppover til sperra på 6000, og er veldig morsom å kjøre. Gleder meg til litt seriøs tuning for å hente ut de siste hestene på sikt. Dette lover godt    
						 | 
					 
					
						
							
								| 
								 | 
							 
								| 
								 | 
								
									 
									Loggført
								 | 
							  
							 
							Til ettertanke: "... The more we know, the more we feel our ignorance; the more we feel how much remains unknown." - Humphrey Davy
   - VW 1303S 73-mod. Aurora-"Peewsen"  - VW 1300S 73-mod. Leonora-"Peewsen" (Bruks-Peews) 
						 | 
					 
				 
			 |  
		 
	 | 
	
		
		
			
				
					
						| 
							tmbryhn
							
						 | 
						
							
								  | 
								
									
									 « Svar #498 på: juni 13, 2011, 15:34:20 pm »  | 
								
								 | 
							  
							 
							Da har jeg bestilt nye topper som skal på etter litt bearbeiding. Endte opp med et par Los Banditos med 40mm inn og 35,5mm ut. Dette er også topper jeg tror kan få et godt hjem på en annen motor på sikt.
  Dette er std. 043-topper fra Mexico som har blitt oppgradert av CB Performance med nye fjærer, ventiler, seter, skåler og låser. Har allerede hatt mulighet til å porte et sett slike for en kompis. Følte den gangen at potensialet ligger der hvis en tar seg god tid til litt bearbeiding.
  Endte på ca. 3500,- ink. shipping fra vwparts. Mva. kommer senere.
  Bilder kommer når toppene skal under kniven.
 
  Noen som har en grei Merged-eksos til salgs forresten? 
						 | 
					 
					
						
							
								| 
								 | 
							 
								| 
								 | 
								
									 
									Loggført
								 | 
							  
							 
							Til ettertanke: "... The more we know, the more we feel our ignorance; the more we feel how much remains unknown." - Humphrey Davy
   - VW 1303S 73-mod. Aurora-"Peewsen"  - VW 1300S 73-mod. Leonora-"Peewsen" (Bruks-Peews) 
						 | 
					 
				 
			 |  
		 
	 | 
	
		
		
			
				
					
						| 
							tmbryhn
							
						 | 
						
							
								  | 
								
									
									 « Svar #499 på: juni 29, 2011, 02:26:20 am »  | 
								
								 | 
							  
							 
							Imens jeg venter på topper å kose meg med, er det greit å ha litt progresjon på EFI-fronten også.
  For en stund siden var jeg på huggeren for å hente litt sensorer osv. Endelig fikk jeg funnet frem igjen stasjet for å gjøre noen nødvendige målinger slik at de kan kobles opp til MS-en. Det sentrale er å få lest av sensorenes verdier for så å få disse til å stemme med det MS-en forventer å se.
  Det er litt "i tiden" å drive med motorrelaterte ting hjemme istedetfor i verkstedet har jeg skjønt. Uten at jeg nødvendigvis er en slave for trender, tenkte jeg at jeg kunne prøve å bytte arena imens jeg drev med div. sensorer... 
						 | 
					 
					
						
							
								| 
								 | 
							 
								| 
									« Siste redigering: juni 29, 2011, 03:19:33 am av tmbryhn »
								 | 
								
									 
									Loggført
								 | 
							  
							 
							Til ettertanke: "... The more we know, the more we feel our ignorance; the more we feel how much remains unknown." - Humphrey Davy
   - VW 1303S 73-mod. Aurora-"Peewsen"  - VW 1300S 73-mod. Leonora-"Peewsen" (Bruks-Peews) 
						 | 
					 
				 
			 |  
		 
	 | 
	
		
		
			
				
					
						| 
							tmbryhn
							
						 | 
						
							
								  | 
								
									
									 « Svar #500 på: juni 29, 2011, 02:42:31 am »  | 
								
								 | 
							  
							 
							Kveldens arbeid har dreid seg om temperatursensorer. Dette er komponenter som en motorstyringsenhet (ECU) BØR ha for å oppnå økt dynamikk i styringen - og derfor hjelpe motoren til å oppføre seg mer ideelt i en rekke forksjellige klima og miljøer.
  En alminnelig temp.-sensor som blir brukt i en bilmotor er en av de minst komplekse diskrete komponentene som eksisterer i elektronikkens verden. Veldig ofte bruker en det vi kaller en "thermistor". Dette er i bunn og grunn en resistor (ohmsk motstand) som varierer med temperatur. Vi har to typer: PTC og NTC (Positiv / Negativ temp.-koeffisient). En PTC-thermistor vil få økt ohmsk motstand ved økende temperatur, og vice-versa med NTC.
  Pga. den variable motstanden vil vi kunne hente ut en variabel spenning når sensoren blir koblet inn på en spenningsdeler. Den variable spenningen som blir matet inn i ECU-en (Analog/Digital-converter) representere en gitt temp. Dette signalet igjen blir brukt av ECU til å korrigere flere parametere som f.eks. menge bensin motoren har behov for, justéring av tenning osv.
  Noen basic typer temp.-sensorer som moderne motorer bruker:
   - IAT (Intake Air Temp) - Temperatur på lufta som motoren tar til seg. Kaldere luft er tettere og vil pakke mer masse inn i motoren ved en gitt volumetrisk fyllingsgrad.
   - CLT (Coolant Temp.) - Temp. kjølevann: Denne blir brukt særlig til å korrigere innnsprøytningsmengde ved kaldstart. Jeg velger å måle topptemperatur på denne "kanalen". Etter mitt skjønn vil topptemperaturen være mer hensiktsmessig å bruke til dette enn f.eks. oljetemperaturen.
   - EGT - (Exhaust Gas Temp.) - Temp. eksos: Bør måles rett ut fra toppen. En "thermocoupler" blir veldig ofte brukt til dette formålet, altså IKKE en thermistor. Gir brukeren/ECU kritisk info som erfarne/trente teknikere kan bruke til bla. tuning og viktig monitorering. 
						 | 
					 
					
						
							
								| 
								 | 
							 
								| 
									« Siste redigering: juni 29, 2011, 03:22:41 am av tmbryhn »
								 | 
								
									 
									Loggført
								 | 
							  
							 
							Til ettertanke: "... The more we know, the more we feel our ignorance; the more we feel how much remains unknown." - Humphrey Davy
   - VW 1303S 73-mod. Aurora-"Peewsen"  - VW 1300S 73-mod. Leonora-"Peewsen" (Bruks-Peews) 
						 | 
					 
				 
			 |  
		 
	 | 
	
		
		
			
				
					
						| 
							tmbryhn
							
						 | 
						
							
								  | 
								
									
									 « Svar #501 på: juni 29, 2011, 02:51:26 am »  | 
								
								 | 
							  
							 
							For oss som driver med MS er det å hente mye av harwaren på dynga en god gulrot mtp. at det er veldig "good value" for penga. Desverre fører dette også med seg noen ulemper: Veldig få ting er "bolt on" uten videre hodebry.
  Bowling & Grippo (produsentene av MS) har naturligvis tenkt på oss hjemmemekkere da de skrev koden til MS. Derfor kan en bruke så og si alle typer sensorer. Det eneste en må gjøre er å mate softwaren (koden) med info om enhver sensors karakteristikk. Denne kalibreringsprosessen er nødvendig for at ECU skal motta nøyaktig og korrekt informasjon fra det varierende miljøet motoren utsettes for, samt at du selv som bruker kan nytte disse verdiene til monitorering.
  Da jeg var ute for å plukke sensorer ante jeg ingenting om deres spesifike karakteristikk (PTC/NTC, spennvidde osv.). Jeg var mer opptatt av å hente inn komponenter jeg anser som legetime å putte på en Boble-motor (Bosch og Siemens for min del). Jeg var forberedt på at litt research måtte utføres - og det er så langt jeg har kommet i kveld. 
						 | 
					 
					
						
							
								| 
								 | 
							 
								| 
									« Siste redigering: juli 01, 2011, 14:08:12 pm av tmbryhn »
								 | 
								
									 
									Loggført
								 | 
							  
							 
							Til ettertanke: "... The more we know, the more we feel our ignorance; the more we feel how much remains unknown." - Humphrey Davy
   - VW 1303S 73-mod. Aurora-"Peewsen"  - VW 1300S 73-mod. Leonora-"Peewsen" (Bruks-Peews) 
						 | 
					 
				 
			 |  
		 
	 | 
	
		
		
			
				
					
						| 
							tmbryhn
							
						 | 
						
							
								  | 
								
									
									 « Svar #502 på: juni 29, 2011, 02:55:31 am »  | 
								
								 | 
							  
							 
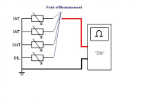
							Jeg har plukket ut noen sensorer som skal få lov til å fungere som IAT- og CLT-sensorer. Som nevnt over vil jeg mate inn CHT (cylinder head temp) på CLT-kanalen da dette er mer hensiktsmessig på en luftkjølt motor. Basic veiledning for hvordan en kan måle flere sensorer på én gang. Her ser du også std.-symbolet for en thermistor. 
											    (17.08 KB. 576x432 - vist 458 ganger.)   
						 | 
					 
					
						
							
								
									 
									
									 
								 | 
							 
								| 
									« Siste redigering: juni 29, 2011, 03:18:03 am av tmbryhn »
								 | 
								
									 
									Loggført
								 | 
							  
							 
							Til ettertanke: "... The more we know, the more we feel our ignorance; the more we feel how much remains unknown." - Humphrey Davy
   - VW 1303S 73-mod. Aurora-"Peewsen"  - VW 1300S 73-mod. Leonora-"Peewsen" (Bruks-Peews) 
						 | 
					 
				 
			 |  
		 
	 | 
	
		
		
			
				
					
						| 
							tmbryhn
							
						 | 
						
							
								  | 
								
									
									 « Svar #503 på: juni 29, 2011, 03:37:53 am »  | 
								
								 | 
							  
							 
							Jeg startet med å putte den improviserte riggen inn i fryseren på ca. -20 grader. Deretter gikk riggen inn i kjøleskapet på 4 grader, og så til slutt inn i stekeovnen på respektive 30, 70 og 100 grader. Sensorene fikk god tid til å tilpasse seg den nye statiske temperaturen mellom hver måling. MS-koden trenger tre punkter for å regne ut kurven på sensoren. Slik jeg ser det er det en fordel å ha verdier som spenner seg over et større spekter. F.eks.: -20, 30 og 100 grader. 
											   IMG_1394 (Large).jpg (85.67 KB. 1024x768 - vist 329 ganger.)  
											   IMG_1395 (Large).jpg (83.49 KB. 1024x768 - vist 348 ganger.)  I stekeovnen: 
											   IMG_1396 (Large).jpg (133.59 KB. 1024x768 - vist 319 ganger.)  Pass på at du kun måler én og én thermistor hvis du deler felles jord i en tilsvarende rig.  
						 | 
					 
					
						
							
								
									 
									
									 
								 | 
							 
								| 
									« Siste redigering: juni 29, 2011, 03:41:13 am av tmbryhn »
								 | 
								
									 
									Loggført
								 | 
							  
							 
							Til ettertanke: "... The more we know, the more we feel our ignorance; the more we feel how much remains unknown." - Humphrey Davy
   - VW 1303S 73-mod. Aurora-"Peewsen"  - VW 1300S 73-mod. Leonora-"Peewsen" (Bruks-Peews) 
						 | 
					 
				 
			 |  
		 
	 | 
	
		
		
			
				
					
						| 
							tmbryhn
							
						 | 
						
							
								  | 
								
									
									 « Svar #504 på: juni 29, 2011, 03:46:40 am »  | 
								
								 | 
							  
							 
							Og til slutt resultatene: 
											   Resultater.JPG (20.83 KB. 701x432 - vist 348 ganger.)   
						 | 
					 
					
						
							
								
									 
									
									 
								 | 
							 
								| 
								 | 
								
									 
									Loggført
								 | 
							  
							 
							Til ettertanke: "... The more we know, the more we feel our ignorance; the more we feel how much remains unknown." - Humphrey Davy
   - VW 1303S 73-mod. Aurora-"Peewsen"  - VW 1300S 73-mod. Leonora-"Peewsen" (Bruks-Peews) 
						 | 
					 
				 
			 |  
		 
	 | 
	
		
		
			
				
					
						
							Dalland
							
								Supermedlem 
								     
								Innlegg: 3032
								  Bosted: Bergen 
								
								
								
								
								
								 
							 
						 | 
						
							
								  | 
								
									
									 « Svar #505 på: juni 29, 2011, 10:23:18 am »  | 
								
								 | 
							  
							 
							Kjekt lesestoff, og flott å se andre tar ibruk stue og kjøkken   Men fy for en tid å være våken på! Aldri skruing etter kl 01.00   Satser på at du skal lære meg opp i dette datagreiene hvis eg en gang skal ha ms og turbo..    
						 | 
					 
					
						
							
								| 
								 | 
							 
								| 
								 | 
								
									 
									Loggført
								 | 
							  
							 
							
						 | 
					 
				 
			 |  
		 
	 | 
	
		
		
			
				
					
						| 
							tmbryhn
							
						 | 
						
							
								  | 
								
									
									 « Svar #506 på: juli 01, 2011, 00:36:05 am »  | 
								
								 | 
							  
							 
							Så har jeg kommet litt lengre i dag. Jeg anser det som temmelig hensiktsmessig å alltid ha en testbenk når en skal fyre en motor for første gang, eller har gjort noen modifikasjoner ute av bilen. Derfor har jeg valgt å gjøre den gode gamle oppstartsbukken min om til en MS-testbenk slik at basic ting kan testes og settes opp før motoren havner i bilen. Dette er bare en std. 1600 som blir brukt som testobjekt. Her er IAT-sensoren (Intake Air Temp) plassert i luftfilterboksen 
											   IMG_1402 (Large).jpg (90.09 KB. 1024x768 - vist 350 ganger.)  Coil-on-Plug på plass. Dette er coiler fra en Suzuki GSXR-motorsykkel. 
											   IMG_1403 (Large).jpg (98 KB. 1024x768 - vist 364 ganger.)  Og selvsagt den klassiske veivsensoren: 
											   IMG_1405 (Large).jpg (114.63 KB. 1024x768 - vist 382 ganger.)  Da er tingene snart klare for oppstart. Gjenstår bare å trykkteste fuel rails og koblinger samt lage ferdig ledningsnettet til CoP-ene. 
											   IMG_1404 (Large).jpg (136.63 KB. 1024x768 - vist 379 ganger.)  
											   IMG_1399 (Large).jpg (135.06 KB. 1024x768 - vist 377 ganger.)   
						 | 
					 
					
						
							
								
									 
									
									 
								 | 
							 
								| 
								 | 
								
									 
									Loggført
								 | 
							  
							 
							Til ettertanke: "... The more we know, the more we feel our ignorance; the more we feel how much remains unknown." - Humphrey Davy
   - VW 1303S 73-mod. Aurora-"Peewsen"  - VW 1300S 73-mod. Leonora-"Peewsen" (Bruks-Peews) 
						 | 
					 
				 
			 |  
		 
	 | 
	
		
		
			
				
					
						| 
							tmbryhn
							
						 | 
						
							
								  | 
								
									
									 « Svar #507 på: juli 05, 2011, 23:54:06 pm »  | 
								
								 | 
							  
							 
							Da blei det suksess med oppstart av MS-riggen i testbenken. Mangler eksos og derfor bredbåndslambda, så derfor kan jeg ikke begynne å justere noe særlig før det er i boks. Blir litt sveising osv. i løpet av noen dager tenker jeg. Skulle bare sjekke at tinga spellte noen lunde...  
						 | 
					 
					
						
							
								| 
								 | 
							 
								| 
								 | 
								
									 
									Loggført
								 | 
							  
							 
							Til ettertanke: "... The more we know, the more we feel our ignorance; the more we feel how much remains unknown." - Humphrey Davy
   - VW 1303S 73-mod. Aurora-"Peewsen"  - VW 1300S 73-mod. Leonora-"Peewsen" (Bruks-Peews) 
						 | 
					 
				 
			 |  
		 
	 | 
	| 
		
		
	 | 
	
		
		
			
				
					
						
							Jens-Ole aka 'Dansken'
							
								Telehiv Jumpers 
								Supermedlem
								      
								Innlegg: 4228
								  Bosted: Tønsberg 
								
								
								
								
								
								 
							 
						 | 
						
							
								  | 
								
									
									 « Svar #509 på: juli 06, 2011, 07:38:42 am »  | 
								
								 | 
							  
							 
							dobbelt     og en     for stikflammerne     
						 | 
					 
					
						
							
								| 
								 | 
							 
								| 
								 | 
								
									 
									Loggført
								 | 
							  
							 
							"Cal-look is kind of the punk-rock of the VW world" 
						 | 
					 
				 
			 |  
		 
	 | 
	 |