BrorHund
Medlem
  
Innlegg: 184
Bosted: Oslo
|
 |
« på: mai 03, 2015, 10:03:13 am » |
|
Jeg trenger litt råd i problemfinningen nå. Har gjort ganske mye jobb på hjul og bremser, har byttet bremseslanger, bremsesko foran, ny bremsevæske, smurt opp og renset alt av bremsedeler, byttet hjullager indre og ytre foran, byttet pakninger bak (men ikke hjullager bak, fikk de faen ikke ut…). Har ikke byttet noe på styring enda, og har ikke byttet king bolt og linkpin.
Uansett, etter operasjonen er jeg fornøyd med bremseeffekten, men jeg har fått en klakkelyd ved nedbremsing, hva kan dette være?
57, linkpin, tromler, vanlig puma.
Takker for hjelp!!!!
|
|
|
|
|
Loggført
|
1957 Karmann Ghia Lowlight
|
|
|
Danny
Seniormedlem
   
Innlegg: 328
Bosted: Porsgrunn
|
 |
« Svar #1 på: mai 03, 2015, 12:27:50 pm » |
|
Kan det være oljeslynga som slår inni noe...? Ta av trommelen og sjekk om det er noe merker etter det litt nede på røret. Ihvertfall et sted å begynne  Danny
|
|
|
|
|
Loggført
|
|
|
|
BrorHund
Medlem
  
Innlegg: 184
Bosted: Oslo
|
 |
« Svar #2 på: mai 03, 2015, 13:05:27 pm » |
|
Oljeslynga? Inne i trommelen? Hva er det?
|
|
|
|
|
Loggført
|
1957 Karmann Ghia Lowlight
|
|
|
Danny
Seniormedlem
   
Innlegg: 328
Bosted: Porsgrunn
|
 |
« Svar #3 på: mai 03, 2015, 14:00:47 pm » |
|
Det er en traktlignende sak, som skal samle olje som evt lekker ut imellom akslingen, og føres ut i et hull på siden av trommelen. Litt vanskelig å forklare, men ligger løst inni trommelen, festet i hulle og en bit som stikker ut og klemmes fast. Du ser det med en gang du tar av trommelen.
|
|
|
|
|
Loggført
|
|
|
|
Danny
Seniormedlem
   
Innlegg: 328
Bosted: Porsgrunn
|
 |
« Svar #4 på: mai 03, 2015, 14:05:44 pm » |
|
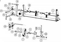
#12 på bildet
|
|
|
|
|
BrorHund
Medlem
  
Innlegg: 184
Bosted: Oslo
|
 |
« Svar #5 på: mai 03, 2015, 16:29:15 pm » |
|
Ingen av mine ser slik ut. 1957 modell, svingaksling bak, ulikt bildet, og linkpin foran, også ulikt bildet.
|
|
|
|
|
Loggført
|
1957 Karmann Ghia Lowlight
|
|
|
Danny
Seniormedlem
   
Innlegg: 328
Bosted: Porsgrunn
|
 |
« Svar #6 på: mai 03, 2015, 17:56:48 pm » |
|
Da har jeg desverre ingen flere forslag til deg. Vet at de er å finne inni tromler på -59 til -64....
|
|
|
|
|
Loggført
|
|
|
|
BrorHund
Medlem
  
Innlegg: 184
Bosted: Oslo
|
 |
« Svar #7 på: mai 03, 2015, 18:25:15 pm » |
|
Takk for forsøk uansett. Noen andre som har tips? Er altså klakking ved hard nedbremsing, høres ut som om det er høyre foran. Denne versjonen:
 image.jpg (63.68 KB. 600x415 - vist 252 ganger.)
|
|
|
« Siste redigering: mai 03, 2015, 18:32:46 pm av BrorHund »
|
Loggført
|
1957 Karmann Ghia Lowlight
|
|
|
forBaust
Medlem
  
Innlegg: 243
Bosted: Fevik, Grimstad
|
 |
« Svar #8 på: mai 03, 2015, 19:44:59 pm » |
|
Hvis du har andre felger kan det kanskje være boltene som tar i noen bremse deler?
Jab
|
|
|
|
|
Loggført
|
|
|
|
BrorHund
Medlem
  
Innlegg: 184
Bosted: Oslo
|
 |
« Svar #9 på: mai 03, 2015, 21:40:48 pm » |
|
Pleier det virkelig å være et problem?!? Ai.., håper ikke det. Og hva er i så fall redningen, kapping av boltene? Ikke bra.
|
|
|
|
|
Loggført
|
1957 Karmann Ghia Lowlight
|
|
|
pWolf
Supermedlem
    
Innlegg: 1680
Bosted: Hamar
|
 |
« Svar #10 på: mai 03, 2015, 23:06:03 pm » |
|
Har du åpnet opp trommelen etter denne lyden kom? ? Vet du helt sikkert at alt er satt riktig på plass rundt om kring bremseskoene osv? En klakke lyd kan tyde på at noe er løst..
|
|
|
|
|
Loggført
|
|
|
|
OTO
Supermedlem
    
Innlegg: 1966
Bosted: Gjøvik
|
 |
« Svar #11 på: mai 04, 2015, 00:06:02 am » |
|
Er det lenge siden du presset fett inn i forstillingen og på kingbolter? Det er snakk om 6 punkt, mener jeg å huske!
|
|
|
|
|
Loggført
|
|
|
|
|
mags
|
 |
« Svar #12 på: mai 04, 2015, 09:01:30 am » |
|
Er nok noe bremse delersom går borti hjulbolter ellers noe løst det han danny skriver er jo bak da dette gjelder foran?sjekk bolter først deretter att bremsebånd sitter som de skal
|
|
|
|
|
Loggført
|
Good Work ain`t cheap Cheap work ain`t good Mags 90508914.
|
|
|
oli
Seniormedlem
   
Innlegg: 338
Bosted:
|
 |
« Svar #13 på: mai 09, 2015, 22:47:28 pm » |
|
Slakk i hjullager ?
|
|
|
|
|
Loggført
|
|
|
|
|