Hulken
Supermedlem
    
Innlegg: 3433
Bosted: Gjøvik
Hardcore type four...
|
 |
« på: januar 20, 2011, 00:24:13 am » |
|
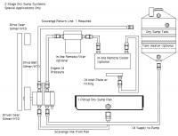
Noen som har erfaring eller kan si noe for/ i mot et tørrsump system med egen remdrevet pumpe? Det skal sitte på en type 4 motor på 2,2ltr.
 (109.59 KB. 800x602 - vist 515 ganger.)
 (12.9 KB. 725x558 - vist 675 ganger.)
|
|
|
|
Loggført
|
Arild B, Gjøvik 1956 1200 cabriocoach restobjekt (solgt til hyggelig herre) 1972 1302S "Hulken" restobjekt 1973 412 2-dørs coupe
|
|
|
Savanna67
Supermedlem
    
Innlegg: 504
Bosted: Oslo-Skedsmo
|
 |
« Svar #1 på: januar 20, 2011, 12:10:33 pm » |
|
Skulle funke det. Men; største risikoen er remma. ryker den, ryker motoren. Men det finnes mye bra remmer på markedet som har lang levetid.
Jeg ville heller satset på en bolt on pumpe, Autocraft eller Pauter.
|
|
|
|
|
Loggført
|
|
|
|
Hulken
Supermedlem
    
Innlegg: 3433
Bosted: Gjøvik
Hardcore type four...
|
 |
« Svar #2 på: januar 20, 2011, 12:37:00 pm » |
|
Ser det gode poenget ditt, men på type 4 med bakre motorfeste blir det en liten kollisjon mellom tørrsumppumpe og motorfeste.... Må forskes litt på!
|
|
|
|
|
Loggført
|
Arild B, Gjøvik 1956 1200 cabriocoach restobjekt (solgt til hyggelig herre) 1972 1302S "Hulken" restobjekt 1973 412 2-dørs coupe
|
|
|
|
Jærva
|
 |
« Svar #3 på: januar 20, 2011, 23:12:21 pm » |
|
Ikke noe problem Arild. ALLE 911-motorer har tørrsump som standard. Bare å legge til to sylindere og så er det problemet løst  Mas,mas,mas....
|
|
|
|
|
Loggført
|
Det 7. bud : Du skal ikke stjele. Staten liker ikke konkurranse!
Øyelokk, 009-fordeler og chrommoly-støtstenger skal destrueres!
|
|
|
VW 612 RS
Seniormedlem
   
Innlegg: 486
Bosted: Klæbu
VW 612 RS
|
 |
« Svar #4 på: januar 20, 2011, 23:38:40 pm » |
|
Ikke noe problem Arild. ALLE 911-motorer har tørrsump som standard. Bare å legge til to sylindere og så er det problemet løst  Mas,mas,mas.... X2 :-)
|
|
|
|
|
Loggført
|
- Audi S6 -97 avant - Audi A4 -97 1.8TQ avant - VW 412/6 -74 (3,0/930) - VW 1303 -74 (2,9/901) - Chevy van (Tiara Presidential) - 92 G20 5,7 bensin
|
|
|
Hulken
Supermedlem
    
Innlegg: 3433
Bosted: Gjøvik
Hardcore type four...
|
 |
« Svar #5 på: januar 20, 2011, 23:40:03 pm » |
|
Gruppepress!
|
|
|
|
|
Loggført
|
Arild B, Gjøvik 1956 1200 cabriocoach restobjekt (solgt til hyggelig herre) 1972 1302S "Hulken" restobjekt 1973 412 2-dørs coupe
|
|
|
H-MEK
Supermedlem
    
Innlegg: 4035
Bosted: Furnes/Brumunddal
|
 |
« Svar #6 på: januar 20, 2011, 23:45:53 pm » |
|
Ser det gode poenget ditt, men på type 4 med bakre motorfeste blir det en liten kollisjon mellom tørrsumppumpe og motorfeste.... Må forskes litt på!
Hadde nok gått for modifisert motorfeste, eller evt laget ett helt annet tverrstag. Når hjertet slutter å pumpe, blir det brått slutt på resten også..
|
|
|
|
|
Loggført
|
Henning Tlf 408 26 388
|
|
|
tezer
Supermedlem
    
Innlegg: 1791
Bosted: Hamar Hedemarken
|
 |
« Svar #7 på: januar 21, 2011, 01:30:28 am » |
|
Vet at mange big blokk chevy motorer har brukt reimdrevet pumpe! men mest til drag racing og tractor pulling!men skal vel mye til før ei sånn reim ryker på så kort tid!
|
|
|
|
|
Loggført
|
Vw 1302
|
|
|
tmatre
Supermedlem
    
Innlegg: 879
Bosted: Rogaland - Klepp
|
 |
« Svar #8 på: januar 21, 2011, 01:34:40 am » |
|
Om registerreima ryker på sånne nymotens motorer... så er det bråstopp også der (for de fleste...) Og de ryker ikke så ofte om en de ikke skades på noen måte og byttes etter rett intervall
|
|
|
|
|
Loggført
|
"Under steer is when you hit the wall with the front of the car and over steer is when you hit the wall with the rear of the car. Horsepower is how fast you hit the wall, torque is how far you take the wall with you."
|
|
|
|
KnastenradUndKnotenblech
|
 |
« Svar #9 på: januar 21, 2011, 02:11:27 am » |
|
som extra sikkerjet ,kan man jo også lage en forigling med oljebryter, når oljetrykker forsvinner så kutter motor.?
|
|
|
|
|
Loggført
|
-71 1302 Honda1000RR , -66 Variant WBX turbo , 89 -Westfalia California 1,9 TDI
|
|
|
Hulken
Supermedlem
    
Innlegg: 3433
Bosted: Gjøvik
Hardcore type four...
|
 |
« Svar #10 på: januar 21, 2011, 08:28:00 am » |
|
Om registerreima ryker på sånne nymotens motorer... så er det bråstopp også der (for de fleste...) Og de ryker ikke så ofte om en de ikke skades på noen måte og byttes etter rett intervall
Om jeg bruker 4-5 spors flatreim så skal det mye til før reima ryker.
|
|
|
|
|
Loggført
|
Arild B, Gjøvik 1956 1200 cabriocoach restobjekt (solgt til hyggelig herre) 1972 1302S "Hulken" restobjekt 1973 412 2-dørs coupe
|
|
|
Hulken
Supermedlem
    
Innlegg: 3433
Bosted: Gjøvik
Hardcore type four...
|
 |
« Svar #11 på: januar 21, 2011, 09:08:39 am » |
|
som extra sikkerjet ,kan man jo også lage en forigling med oljebryter, når oljetrykker forsvinner så kutter motor.?
Det vil jo ikke være mange sekunder fra reima ryker til trykket blir for lavt, og da vil en oljebryter slå inn. Finnes oljebrytere som reagerer på forskjellige trykk, så der kan jeg jo forske litt for og finne en som bryter før trykket faller for mye.
|
|
|
|
|
Loggført
|
Arild B, Gjøvik 1956 1200 cabriocoach restobjekt (solgt til hyggelig herre) 1972 1302S "Hulken" restobjekt 1973 412 2-dørs coupe
|
|
|
Low67
Medlem
  
Innlegg: 173
Bosted: Hamar
|
 |
« Svar #12 på: januar 21, 2011, 09:33:32 am » |
|
som extra sikkerjet ,kan man jo også lage en forigling med oljebryter, når oljetrykker forsvinner så kutter motor.?
Kan bli litt vond å starte 
|
|
|
|
|
Loggført
|
|
|
|
Hulken
Supermedlem
    
Innlegg: 3433
Bosted: Gjøvik
Hardcore type four...
|
 |
« Svar #13 på: januar 21, 2011, 09:55:32 am » |
|
som extra sikkerjet ,kan man jo også lage en forigling med oljebryter, når oljetrykker forsvinner så kutter motor.?
Kan bli litt vond å starte  Blir vel det samme som og koble bensinpumpe opp mot oljetrykk det? Når du får dratt litt på starteren så blir det jo trykk...
|
|
|
|
|
Loggført
|
Arild B, Gjøvik 1956 1200 cabriocoach restobjekt (solgt til hyggelig herre) 1972 1302S "Hulken" restobjekt 1973 412 2-dørs coupe
|
|
|
|
KnastenradUndKnotenblech
|
 |
« Svar #14 på: januar 21, 2011, 10:39:40 am » |
|
som extra sikkerjet ,kan man jo også lage en forigling med oljebryter, når oljetrykker forsvinner så kutter motor.?
Kan bli litt vond å starte  ikke hvis du bruker hue når du kopler opp
|
|
|
|
|
Loggført
|
-71 1302 Honda1000RR , -66 Variant WBX turbo , 89 -Westfalia California 1,9 TDI
|
|
|
|