desember 05, 2025, 03:38:06 am *
Velkommen, Gjest. Vennligst logg inn eller registrer deg.
Har du ikke mottatt e-post for aktivering ?

Logg inn med brukernavn, passord og innloggingstid
 
   Hovedside   Hjelp Søk Logg inn Registrer  
Sider: [1]
  Skriv ut  
Skrevet av Emne: Tørrsump med remdrevet pumpe?  (Lest 4783 ganger)
Hulken
Supermedlem
*****
Innlegg: 3433
Bosted: Gjøvik


Hardcore type four...


Vis profil
« på: januar 20, 2011, 00:24:13 am »

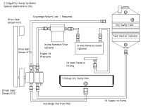
Noen som har erfaring eller kan si noe for/ i mot et tørrsump system med egen remdrevet pumpe? Det skal sitte på en type 4 motor på 2,2ltr.

*  (109.59 KB. 800x602 - vist 515 ganger.)


*  (12.9 KB. 725x558 - vist 675 ganger.)

Loggført

Arild B, Gjøvik
1956 1200 cabriocoach restobjekt (solgt til hyggelig herre)
1972 1302S "Hulken" restobjekt
1973 412 2-dørs coupe
Savanna67
Supermedlem
*****
Innlegg: 504
Bosted: Oslo-Skedsmo


Vis profil

« Svar #1 på: januar 20, 2011, 12:10:33 pm »

Skulle funke det.
Men; største risikoen er remma. ryker den, ryker motoren. Men det finnes mye bra remmer på markedet som har lang levetid.

Jeg ville heller satset på en bolt on pumpe, Autocraft eller Pauter.
Loggført
Hulken
Supermedlem
*****
Innlegg: 3433
Bosted: Gjøvik


Hardcore type four...


Vis profil
« Svar #2 på: januar 20, 2011, 12:37:00 pm »

Ser det gode poenget ditt, men på type 4 med bakre motorfeste blir det en liten kollisjon mellom tørrsumppumpe og motorfeste.... Må forskes litt på!
Loggført

Arild B, Gjøvik
1956 1200 cabriocoach restobjekt (solgt til hyggelig herre)
1972 1302S "Hulken" restobjekt
1973 412 2-dørs coupe
Jærva
Supermedlem
*****
Innlegg: 1438
Bosted: Østlandet.



Vis profil WWW
« Svar #3 på: januar 20, 2011, 23:12:21 pm »

Ikke noe problem Arild. ALLE 911-motorer har tørrsump som standard. Bare å legge til to sylindere og så er det problemet løst  Gliser

Mas,mas,mas....
Loggført

Det 7. bud : Du skal ikke stjele. Staten liker ikke konkurranse!

Øyelokk, 009-fordeler og chrommoly-støtstenger skal destrueres!
VW 612 RS
Seniormedlem
****
Innlegg: 486
Bosted: Klæbu


VW 612 RS


Vis profil WWW
« Svar #4 på: januar 20, 2011, 23:38:40 pm »

Ikke noe problem Arild. ALLE 911-motorer har tørrsump som standard. Bare å legge til to sylindere og så er det problemet løst  Gliser

Mas,mas,mas....


X2 :-)
Loggført

- Audi S6 -97 avant
- Audi A4 -97 1.8TQ avant
- VW 412/6 -74 (3,0/930)
- VW 1303 -74 (2,9/901)
- Chevy van (Tiara Presidential) - 92 G20 5,7 bensin
Hulken
Supermedlem
*****
Innlegg: 3433
Bosted: Gjøvik


Hardcore type four...


Vis profil
« Svar #5 på: januar 20, 2011, 23:40:03 pm »

Gruppepress!
Loggført

Arild B, Gjøvik
1956 1200 cabriocoach restobjekt (solgt til hyggelig herre)
1972 1302S "Hulken" restobjekt
1973 412 2-dørs coupe
H-MEK
Supermedlem
*****
Innlegg: 4035
Bosted: Furnes/Brumunddal



Vis profil
« Svar #6 på: januar 20, 2011, 23:45:53 pm »

Ser det gode poenget ditt, men på type 4 med bakre motorfeste blir det en liten kollisjon mellom tørrsumppumpe og motorfeste.... Må forskes litt på!

Hadde nok gått for modifisert motorfeste, eller evt laget ett helt annet tverrstag.
Når hjertet slutter å pumpe, blir det brått slutt på resten også..
Loggført

Henning
Tlf 408 26 388
tezer
Supermedlem
*****
Innlegg: 1791
Bosted: Hamar Hedemarken



Vis profil
« Svar #7 på: januar 21, 2011, 01:30:28 am »

Vet at mange big blokk chevy motorer har brukt reimdrevet pumpe!
men mest til drag racing og tractor pulling!men skal vel mye til før ei sånn reim ryker på så kort tid!
Loggført

Vw 1302
tmatre
Supermedlem
*****
Innlegg: 879
Bosted: Rogaland - Klepp



Vis profil
« Svar #8 på: januar 21, 2011, 01:34:40 am »

Om registerreima ryker på sånne nymotens motorer... så er det bråstopp også der (for de fleste...)
Og de ryker ikke så ofte om en de ikke skades på noen måte og byttes etter rett intervall
Loggført

"Under steer is when you hit the wall with the front of the car and over steer is when you hit the wall with the rear of the car.
Horsepower is how fast you hit the wall, torque is how far you take the wall with you."
KnastenradUndKnotenblech
Supermedlem
*****
Innlegg: 7175
Bosted: Drammen



Vis profil WWW
« Svar #9 på: januar 21, 2011, 02:11:27 am »

som extra sikkerjet ,kan man jo også lage en forigling med oljebryter, når oljetrykker forsvinner så kutter motor.?
Loggført

-71 1302 Honda1000RR , -66 Variant WBX turbo , 89 -Westfalia California 1,9 TDI
Hulken
Supermedlem
*****
Innlegg: 3433
Bosted: Gjøvik


Hardcore type four...


Vis profil
« Svar #10 på: januar 21, 2011, 08:28:00 am »

Om registerreima ryker på sånne nymotens motorer... så er det bråstopp også der (for de fleste...)
Og de ryker ikke så ofte om en de ikke skades på noen måte og byttes etter rett intervall

Om jeg bruker 4-5 spors flatreim så skal det mye til før reima ryker.
Loggført

Arild B, Gjøvik
1956 1200 cabriocoach restobjekt (solgt til hyggelig herre)
1972 1302S "Hulken" restobjekt
1973 412 2-dørs coupe
Hulken
Supermedlem
*****
Innlegg: 3433
Bosted: Gjøvik


Hardcore type four...


Vis profil
« Svar #11 på: januar 21, 2011, 09:08:39 am »

som extra sikkerjet ,kan man jo også lage en forigling med oljebryter, når oljetrykker forsvinner så kutter motor.?

Det vil jo ikke være mange sekunder fra reima ryker til trykket blir for lavt, og da vil en oljebryter slå inn. Finnes oljebrytere som reagerer på forskjellige trykk, så der kan jeg jo forske litt for og finne en som bryter før trykket faller for mye.
Loggført

Arild B, Gjøvik
1956 1200 cabriocoach restobjekt (solgt til hyggelig herre)
1972 1302S "Hulken" restobjekt
1973 412 2-dørs coupe
Low67
Medlem
***
Innlegg: 173
Bosted: Hamar


Vis profil

« Svar #12 på: januar 21, 2011, 09:33:32 am »

som extra sikkerjet ,kan man jo også lage en forigling med oljebryter, når oljetrykker forsvinner så kutter motor.?

Kan bli litt vond å starte  Øyerulling Osteaktig
Loggført
Hulken
Supermedlem
*****
Innlegg: 3433
Bosted: Gjøvik


Hardcore type four...


Vis profil
« Svar #13 på: januar 21, 2011, 09:55:32 am »

som extra sikkerjet ,kan man jo også lage en forigling med oljebryter, når oljetrykker forsvinner så kutter motor.?

Kan bli litt vond å starte  Øyerulling Osteaktig

Blir vel det samme som og koble bensinpumpe opp mot oljetrykk det? Når du får dratt litt på starteren så blir det jo trykk...
Loggført

Arild B, Gjøvik
1956 1200 cabriocoach restobjekt (solgt til hyggelig herre)
1972 1302S "Hulken" restobjekt
1973 412 2-dørs coupe
KnastenradUndKnotenblech
Supermedlem
*****
Innlegg: 7175
Bosted: Drammen



Vis profil WWW
« Svar #14 på: januar 21, 2011, 10:39:40 am »

som extra sikkerjet ,kan man jo også lage en forigling med oljebryter, når oljetrykker forsvinner så kutter motor.?

Kan bli litt vond å starte  Øyerulling Osteaktig

ikke hvis du bruker hue når du  kopler opp Blunker
Loggført

-71 1302 Honda1000RR , -66 Variant WBX turbo , 89 -Westfalia California 1,9 TDI
Sider: [1]
  Skriv ut  
 
Gå til:  

Bygget på MySQL Bygget på PHP Powered by SMF 1.1.20 | SMF © 2006-2008, Simple Machines XHTML 1.0 godkjent! CSS godkjent!